AHシリーズ 鉄棒継手AH-1D
継手のトップをフラットに設計することで、思わぬ引っ掛かりや絡まりを防ぎます。
右・左・中央の3点のねじで支柱をしっかり固定。ねじ頭やナットの突起もなく安全です。
表面は鏡面仕上げでスマートかつ設置場所を選ばない、環境に馴染みやすいデザインとフォルムです。
※材質: 特殊ステンレス(ねじはSUS304)
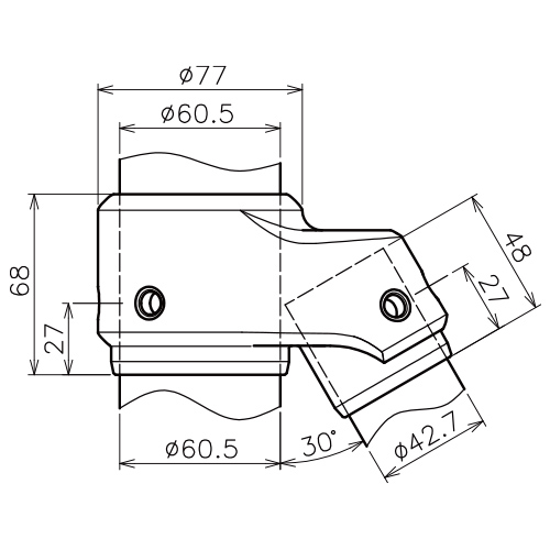
製品図
関連製品
お問い合わせ、各種データの
ダウンロード・お申し込み
-
- お問い合わせ
- 製品やサービスついてのお問い合わせはこちらからお願いいたします。
-
- カタログダウンロード・請求
- カタログデータをダウンロードいただけます。冊子をご希望の方もこちらから。
-
- CADデータダウンロード
- CADデータのダウンロード方法をご案内しています。ご確認の上、お申し込みください。


